8/832.410.3S 24V 87W 120NM变桨电机制动器
主要功能
-
紧急安全制动: 当系统检测到故障(如电网掉电、超速、控制器故障)时,制动器立即失电抱闸,瞬间锁止变桨电机输出轴。
-
位置保持: 在变桨系统不动作时,制动器保持通电释放状态;一旦需要保持桨叶角度(非顺桨状态),制动器可在特定指令下得电释放或失电抱闸进行位置锁定(取决于控制逻辑)。
-
过载保护: 其设计的 120 Nm 制动力矩能有效抵抗外部强风对桨叶产生的反向驱动力矩,确保顺桨动作的强制完成。
-
安全保障: 作为变桨系统的最后一道机械安全屏障,防止桨叶不受控转动,保护风机免受极端载荷破坏。
核心特性
-
安全失效模式: 失电制动(Fail-Safe),确保断电即安全。
-
高制动力矩: 额定制动力矩 120 Nm,满足大型风机变桨需求。
-
低电压驱动: 工作电压 DC 24V,功耗约 87W,与控制电源兼容性好。
-
快速响应: 动作时间短(毫秒级),确保紧急情况下的即时响应。
-
耐用可靠: 专为风场恶劣环境设计(通常满足 IP54 防护,温度范围 -30°C ~ +80°C 或更宽,具体以实际规格书为准),寿命长。
-
集成设计: 结构紧凑,便于与变桨电机集成安装。
应用场景
-
风力发电机组变桨驱动系统的安全制动单元。
-
主要用于确保风机在故障时实现安全顺桨(Safety Pitching)。
关键参数
-
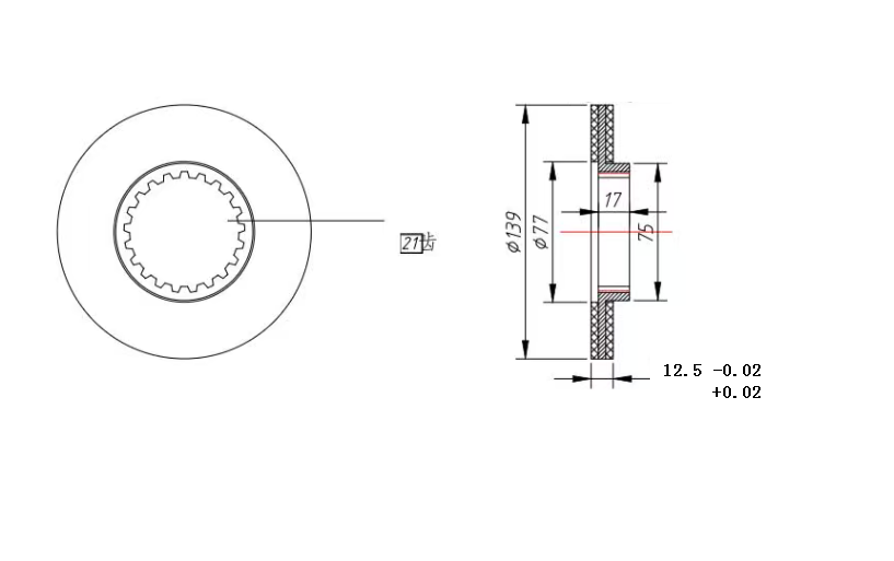
型号: 8/832.410.3S
-
额定电压: DC 24V
-
额定功率: 87W
-
额定制动力矩: 120 Nm
-
工作方式: 常闭式,失电制动(通电释放)
安装与维护要点
-
专业安装: 必须由经过培训的专业人员按照制造商提供的图纸和规范进行安装、调整和接线。
-
气隙检查: 定期检查并调整制动盘与摩擦片之间的气隙至规定值(参见具体维护手册)。
-
磨损检查: 定期检查摩擦片磨损情况,磨损超限必须更换。
-
清洁: 保持制动器及周边清洁,防止油污、粉尘影响性能。
-
电气检查: 定期检查线圈电阻、绝缘性能及接线紧固性。
-
遵守规范: 维护操作必须严格遵守风机制造商和安全规范。
安全警告
-
维护前务必切断变桨系统主电源和控制电源,并执行锁定挂牌(LOTO)程序。
-
禁止在未完全理解产品功能和安装要求的情况下进行操作。
-
使用非原厂备件可能导致性能下降或安全事故。


主要功能
紧急安全制动: 当系统检测到故障(如电网掉电、超速、控制器故障)时,制动器立即失电抱闸,瞬间锁止变桨电机输出轴。
位置保持: 在变桨系统不动作时,制动器保持通电释放状态;一旦需要保持桨叶角度(非顺桨状态),制动器可在特定指令下得电释放或失电抱闸进行位置锁定(取决于控制逻辑)。
过载保护: 其设计的 120 Nm 制动力矩能有效抵抗外部强风对桨叶产生的反向驱动力矩,确保顺桨动作的强制完成。
安全保障: 作为变桨系统的最后一道机械安全屏障,防止桨叶不受控转动,保护风机免受极端载荷破坏。